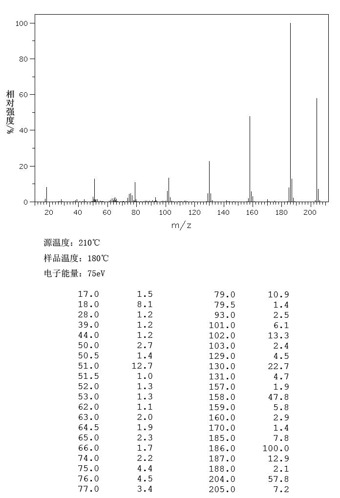
3,5-DIHYDROXY-2-NAPHTHOIC ACID

CAS No.
89-35-0
CCD No.
CCD00003813
Formula
C11 H8 O4
MolWeight
204.18
Company information Model Image Download

WinChembase

Tel:021-56332350

Country/Region:China

http://www.basechem.org

IR1 Download
IR2 Download
CNMR Download
MS Download