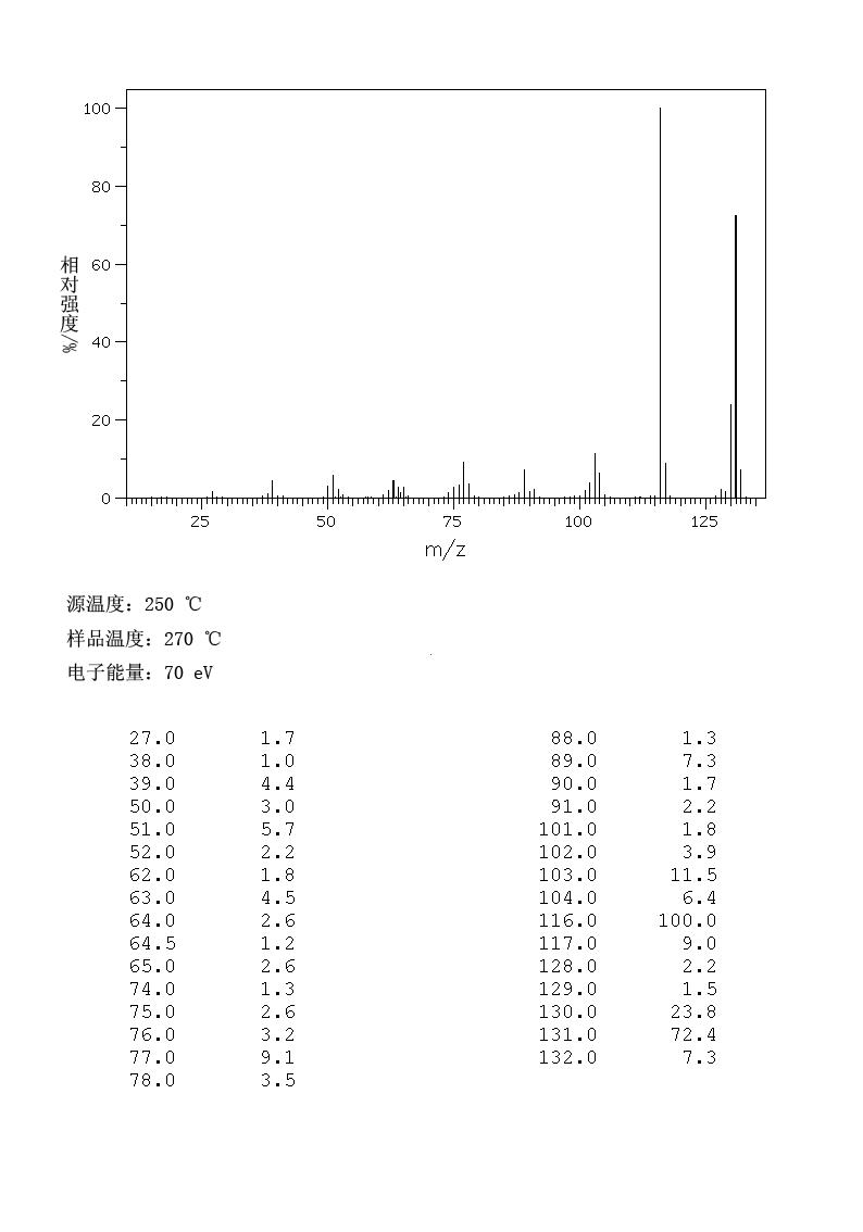
2,3-DIMETHYLBENZONITRILE

CAS No.
5724-56-1
CCD No.
CCD00016995
Formula
C9 H9 N
MolWeight
131.177
Company information Model Image Download

WinChembase

Tel:021-56332350

Country/Region:China

http://www.basechem.org

HNMR Download
IR1 Download
MS Download