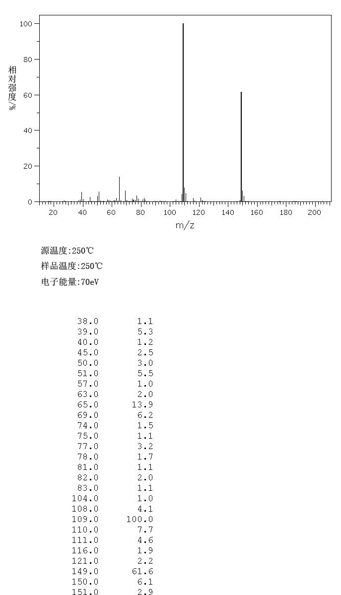
PHENYLTHIOACETONITRILE

CAS No.
5219-61-4
CCD No.
CCD00017042
Formula
C8 H7 N S
MolWeight
149.216
Company information Model Image Download

WinChembase

Tel:021-56332350

Country/Region:China

http://www.basechem.org

IR1 Download
MS Download