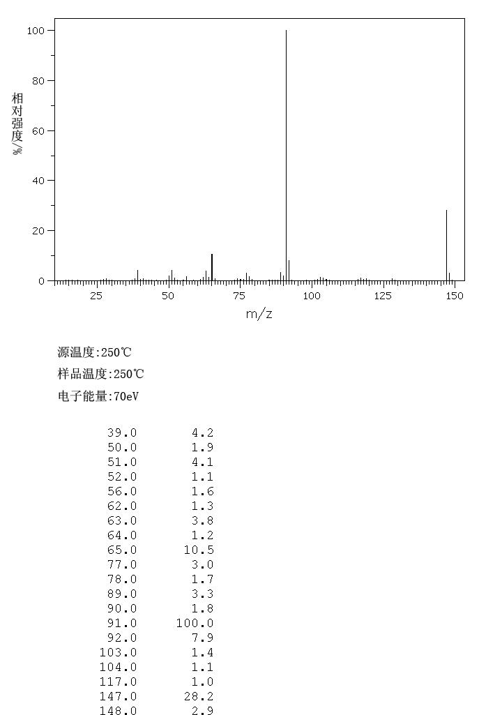
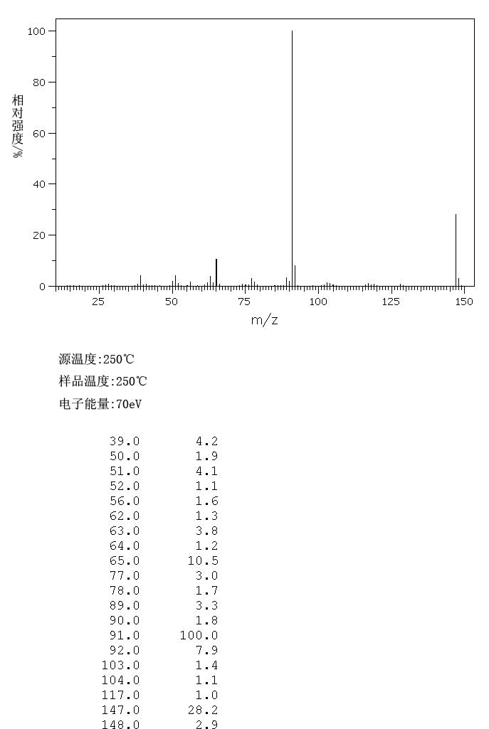
Phenethyl isocyanate

CAS No.
1943-82-4
CCD No.
CCD00023909
Formula
C9 H9 N O
MolWeight
147.176
Company information Model Image Download

WinChembase

Tel:021-56332350

Country/Region:China

http://www.basechem.org

MS Download